Description
Features:
- Rectangular 2" x 2.5" drill down flat surface base with 1" ball
- Standard size double socket arm - overall length: 3.73"; socket to socket: 3"
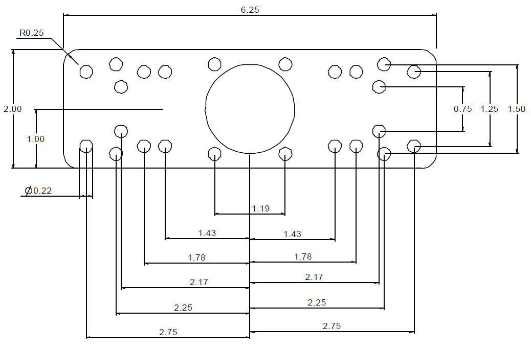
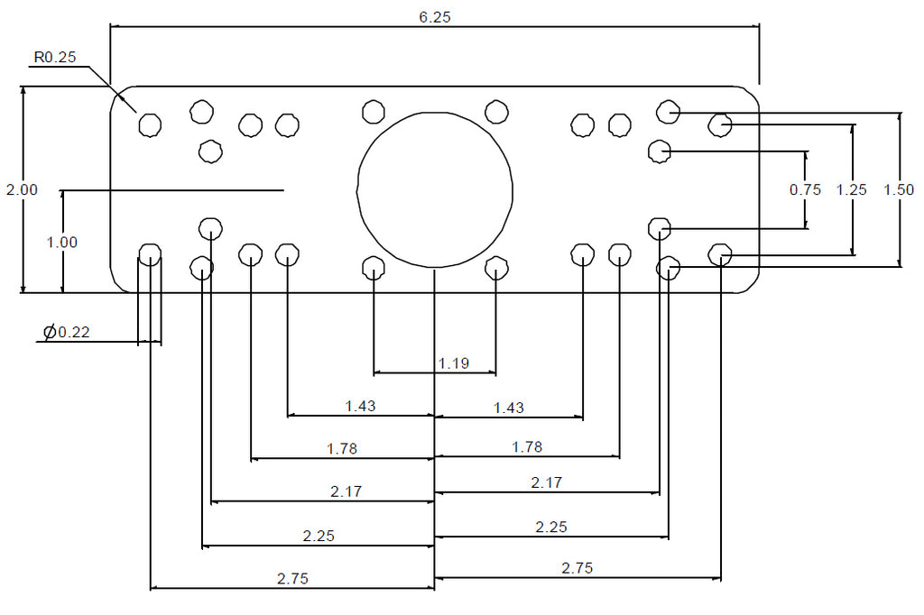
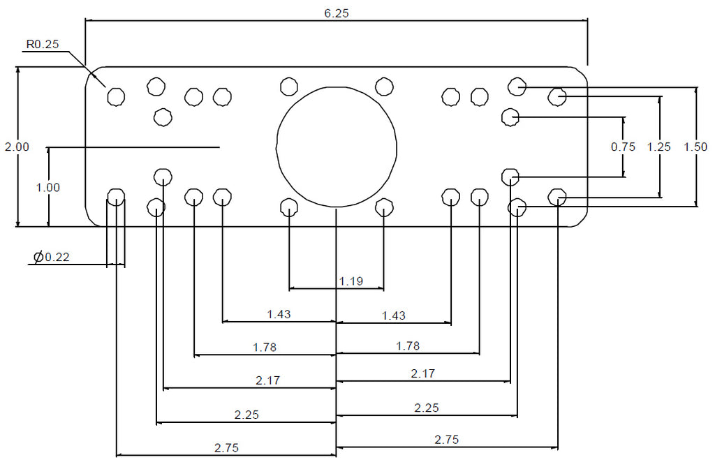
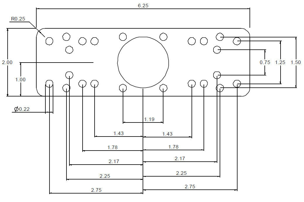
- 6.25" x 2" rectangle base with multiple pre-drilled hole patterns to fit various electronic devices and gimbal brackets
- Pre-drilled holes in base include the universal AMPS hole pattern
- Mounts to either horizontal or vertical surfaces
- Overall height if fully straight: 6.25"
- Constructed of high strength composite
- Holds up to 2 lbs.
- Made in the USA
Compatible Devices (partial list)
Garmin
- GPSMAP 162
- GPSMAP 168
- GPSMAP 175
- GPSMAP 180
- GPSMAP 180C
- GPSMAP 182
- GPSMAP 185
- GPSMAP 188
- GPSMAP 232
- GPSMAP 238
- Striker 5 Series
- Striker Plus 5cv
- Striker Vivid 5cv
Brand: RAM Mounts
Part number: RAP-B-111U
Warranty: Manufacturer's lifetime warranty






