Description
Features:
- Round 2.5" diameter base with 1" ball and AMPS hole pattern
- Standard size double socket arm - overall length: 3.73"; socket to socket: 3" - Pin-Lock security nut and key knob - designed to offer tamper resitance while withstanding the harshest environments
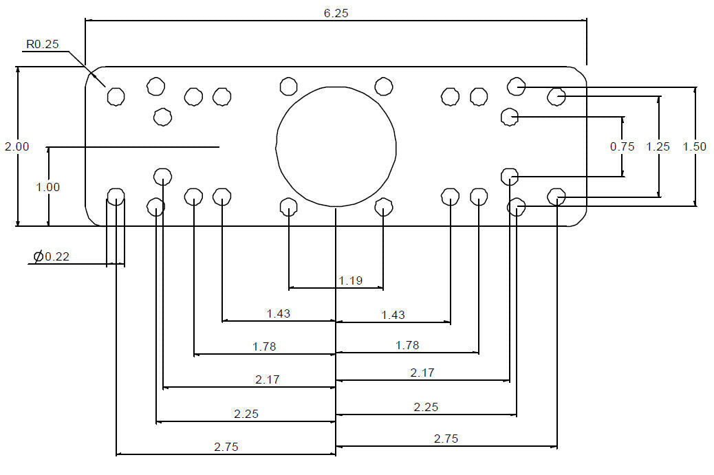
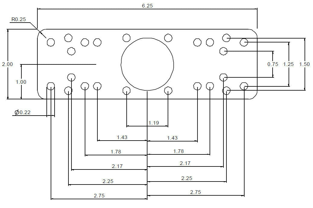
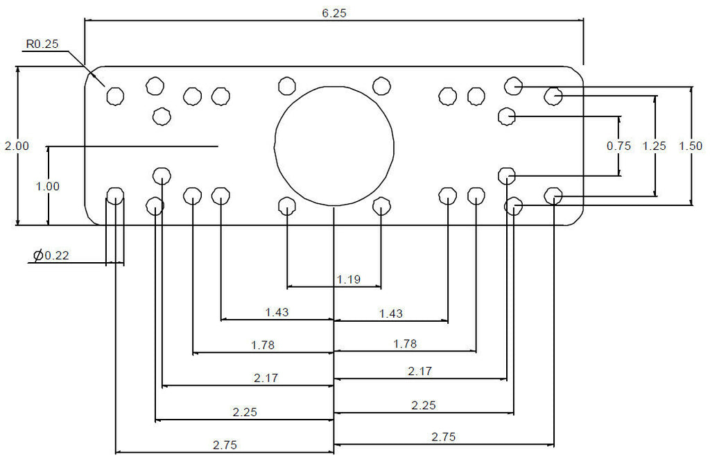
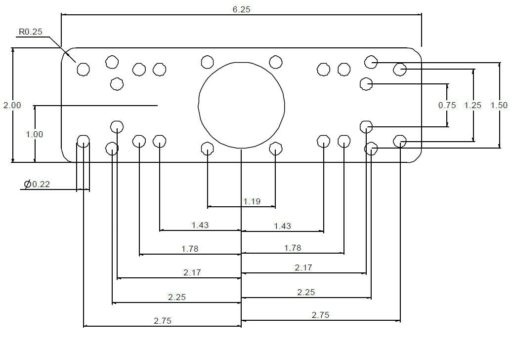
- 6.25" x 2" rectangle base with multiple pre-drilled hole patterns to fit various electronic devices and mounts*
- Pre-drilled holes in the round base with universal AMPS hole pattern
- Constructed of powder coated marine grade aluminum
- Overall height if fully straight: 5"
- Holds up to 2 lbs.
- Made in the USA
Brand: RAM Mounts
Part number: RAM-S-B-111U
Warranty: Manufacturer's lifetime warranty
* In certain applications additional holes may need to be drilled for proper fit with your electronic device.






